OPTIMAL DÄMMGULAST® ,Zn

Informácie

Použitie

  • Vhodná na upevnenie potrubia v priemyselných stavbách
  • Vhodná na upevnenie potrubí , ako sú rozvody pitnej vody a kúrenia
  • Upevnenie potrubia v interiéri

 

Výhody pre Vás

  • Osvedčená dvojdielna objímka
  • Vysoká tuhosť vďaka zesilovaciemu prelisu
  • Vďaka 2 záverným skrutkám sa lepšie prispôsobí väčším toleranciám priemeru potrubia
  • Záverné skrutky s kombinovanou krížovou drážkou
  • Záverné skrutky s podložkou so zaistením proti strate
  • Montážny závit s kombi - maticou M8/M10
  • S vysoko elastickou tlmiacou vložkou DÄMMGULAST ® : zlepšenie úrovne hluku v priemere o 18 dB ( A )
  • Protihluková ochrana testovaná

Naspäť na začiatok ↑

Verzie

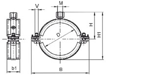
Symbol Kat. číslo Množ./bal. B [mm] H [mm] Rozmer [palcov] b1 [mm] H1 [mm] Rozmer Ø [mm] Rozsah [mm] závit M [mm]
zelená, M8, 1/4 119822 100 55 26 1/4 23 42 13-15 8
zelená, M8, 3/8 119838 100 57 28 3/8 23 45 16-18 8
zelená, M8, 1/2 119818 100 63 31 1/2 23 51 19-24 8
zelená, M8, 3/4 119834 100 70 34 3/4 23 57 25-30 8
zelená, M8, 1 119806 100 76 38 1 23 65 32-37 8
zelená, M8, 1 1/4 119814 50 85 41 1 1/4 23 71 41-44 8
zelená, M8, 1 1/2 119810 50 93 45 1 1/2 23 79 48-51 8
zelená, M8, 57 mm (53-58 mm) 119842 50 100 49 23 86 57 53-58 8
zelená, M8, 2 119826 50 107 52 2 23 92 60-63 8
zelená, M8, 70 mm (69-73 mm) 119846 50 116 56 23 101 70 69-73 8
zelená, M8, 2 1/2 119830 50 127 58 2 1/2 23 106 74-78 8
zelená, M8/M10, 1/4 119866 100 55 30 1/4 23 46 13-15 8/10
zelená, M8/M10, 3/8 119882 100 57 32 3/8 23 49 16-18 8/10
zelená, M8/M10, 1/2 119862 100 63 35 1/2 23 55 19-24 8/10
zelená, M8/M10, 3/4 119878 100 70 38 3/4 23 61 25-30 8/10
zelená, M8/M10, 1 119850 100 76 42 1 23 69 32-37 8/10
zelená, M8/M10, 1 1/4 119858 50 85 45 1 1/4 23 75 41-44 8/10
zelená, M8/M10, 1 1/2 119854 50 93 49 1 1/2 23 83 48-51 8/10
zelená, M8/M10, 57 mm (53-58 mm) 119886 50 100 53 23 90 57 53-58 8/10
zelená, M8/M10, 2 119870 50 107 56 2 23 96 60-63 8/10
zelená, M8/M10, 70 mm (69-73 mm) 119894 50 116 60 23 105 70 69-73 8/10
zelená, M8/M10, 2 1/2 119874 50 127 62 2 1/2 28 110 74-78 8/10
zelená, M8/M10, 83 mm (80-84 mm) 119898 50 132 66 28 117 83 80-84 8/10
zelená, M8/M10, 3 119794 50 139 68 3 28 122 88-90 8/10
zelená, M8/M10, 102 mm (99-103 mm) 119770 50 155 75 28 136 102 99-103 8/10
zelená, M8/M10, 110 mm (108-112 mm) 119774 50 163 80 28 145 110 108-112 8/10
zelená, M8/M10, 4 119798 50 168 82 4 28 150 113-117 8/10
zelená, M8/M10, 116 mm (116-120 mm) 119778 50 172 84 28 153 116 116-120 8/10
zelená, M8/M10, 125 mm (125-129 mm) 119782 50 174 89 28 164 125 125-129 8/10
zelená, M8/M10, 133 mm (133-137 mm) 119776 50 185 93 28 171 133 133-137 8/10
zelená, M8/M10, 5 119802 50 188 95 5 28 176 137-141 8/10
zelená, M8/M10, 160 mm (159-162 mm) 119790 50 212 106 28 197 160 159-162 8/10
zelená, M8/M10, 6 119890 50 220 108 6 28 202 164-168 8/10
Pridaj do projektu
Naspäť na začiatok ↑