MPC-konzola s bočným uchytením, Zn
Informácie
Použitie
Ideálne vhodná ako vyložené nosná konštrukcia pre stúpačky
V kombinácii so sedlovou a čelnou MPC - prírubou použiteľné ako priečnik k upevneniu potrubia v šachtách a kanáloch
Použiteľné ako konzolový nosník na vedenie VZT potrubie
Výhody pre Vás
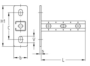
Vysoko únosná konštrukcia vďaka stabilnej pätnej doske
Jednotný smer pozdĺžnych otvorov v pätnej doske umožňuje dobré výškové vyrovnanie konzoly
Upevnenie v bočnej štrbine umožňuje jednoduché vyrovnanie paralelne vedených potrubia
