Základové platne, celoobvodový zvar, Zn

Verzie

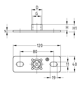
Symbol Kat. číslo Množ./bal. Rozmer L x b x s [mm] Závitové pripojenie Kotviaci otvor [mm] Vzdialenosť osi otvorov [mm]
veľkosť 2 spevnená s pripojením 1/2 112807 50 Rozmer 2 (120 x 40 x 4) 1/2" 11 x 19 80
veľkosť 2 spevnená s pripojením 3/4 112809 50 Rozmer 2 (120 x 40 x 4) 3/4" 11 x 19 80
veľkosť 2 spevnená s pripojením 1 112805 50 Rozmer 2 (120 x 40 x 4) 1" 11 x 19 80
Pridaj do projektu
Naspäť na začiatok ↑