MPC-profilové pätky, V2A
Informácie
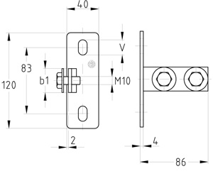
Použitie
- K upevneniu MPC - nosníkov ako priečnik v šachtách a kanáloch
- Pre pravouhlé spojenie 2 nosníkov pri rozdielnom vyrovnani nosníkovej štrbiny
- Možno použiť ako prírubu na podlahu alebo na strop pre zvislo postavené MPC - profily
Výhody pre Vás
- Jednotné smerovanie pozdĺžnych otvorov v pätnej doske umožňuje správne vyrovnať MPC - čelnou prírubou
- Dodáva sa s 2 osadenými zavernými skrutkami
